Mazzoni GM43170R Plunjer Ø25 Pomp 43l/min~170bar

Productcode: 0890344

Prijs op aanvraag

-
+

Productomschrijving

Deze Mazzoni pomp is uitgevoerd met 3 hogedruk zuigers en een messing kop. Pomp staat bekend om zijn hoge prestaties, weinig onderhoud en betrouwbaarheid worden gegarandeerd door kwaliteitsmaterialen die een lange levensduur garanderen.

De Mazzoni pomp heeft de volgende voordelen:

  • Keramische zuigers voor een soepelere slag en een betere oliedichtheid
  • Extra grote as en lang uiteinde voor een betere koppeloverdracht
  • Extra dikke keramische zuigers voor meer duurzaamheid
  • Inlaat- en perskleppen met grotere waterdoorgangen
  • Staven gemaakt van een speciale legering antifrictie
  • Pompkop van gesmeed messing, ontworpen voor sterkte
  • Dubbel afdichtingssysteem
  • Kegellagers met hoge weerstand
  • Lichaam van de pomp ontworpen voor duurzaamheid op lange termijn
  • Afdichtingen "U"
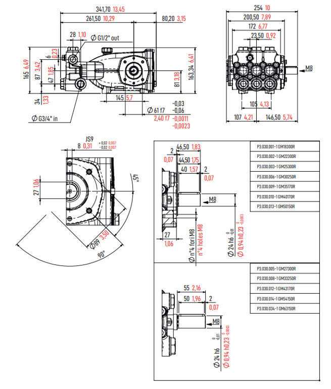
Specificaties
Attribuut naam Attribuut waarde
Artikelnummer: 0890344
Merk: Mazzoni
Hoofdafmetingen (mm): Lengte: 341,70
Breedte: 254
Hoogte: 170,34
Maximum toerental (omw/min): 1450
Capaciteit pomp (L/min): 43
Werkdruk pomp (bar): 170
Max. medium bedrijfstemperatuur (Celsius): 45°
Min. medium bedrijfstemperatuur (Celsius):
Pomp toeren (Tpm): 1450
Vermogen (Hp/Kw): 18,99/14,15
Gewicht (kg): 14
Artikelgerelateerde categorieën

Meer informatie over dit product?

Wilt u meer weten over dit product van Weterings? Of wilt u een afspraak maken voor een keuring of een vrijblijvende kennismaking? Als u onderstaand formulier invult nemen we zo snel mogelijk contact met u op. Even bellen naar kan natuurlijk ook. 0174 416 481

Person image